پارامترهای محصول موتور پنوماتیک کاهش دنده مارپیچ AMP7-RV:    
  محدوده نسبت کاهش: 7.5-50، قدرت: 1.1KW، اسب بخار: 1.5HP، گشتاور: 141.8-912.6N.m، سرعت آزاد: 36.5-5RPM، مصرف هوا: 0.99m³/min، وزن: 33-38KG کاهش، نسبت متفاوت وزن های مختلف)، روش های نصب اختیاری: عمودی، افقی، اختیاری سوپاپ کنترل دستی، ترمز، کنترلر. 
     ویژگی های استاندارد:    
  با استفاده از هوای فشرده به عنوان منبع تغذیه برای ایمنی و ضد انفجار، این محصول دارای گواهی ضد انفجار و مطابق با استانداردهای ایمنی ملی است. کاهنده چرخ دنده مارپیچی از شیر کنترل برای تغییر استارت، تنظیم و توقف استفاده می کند و می تواند فورا جهت را معکوس کند. موتور یک طراحی کلی بسته است و می تواند در محیط های گرد و غبار، مرطوب و خشن استفاده شود. این به طور گسترده ای در صنایع شیمیایی، نیمه هادی ها، کریستال ها، پتروشیمی، فناوری بیوشیمیایی، کارخانه های رنگ، ماشین آلات خودکار و سایر صنایع استفاده می شود. 
     محیط کار:    
  مایع: هوای فشرده  
  فشار مصرفی: 5 کیلوگرم بر سانتی متر     2    (70psi)  
  حداکثر فشار کاری: 6 کیلوگرم بر سانتی متر     2    (85psi)  
  دمای محیط: -10 تا 70 درجه سانتی گراد (فقط در حالت بدون یخ قابل استفاده است)  
  روغن روان کننده: IS0VG32 یا مشابه. (لازم است روغن را با مه روغنی 2 تا 3 قطره در دقیقه اضافه کنید).  
  استفاده مداوم: بله (نمی توان به طور مداوم بدون بار اجرا کرد).  
  سرعت پیشنهادی: (0.3~1) x حداکثر سرعت خروجی. 
پارامترهای دقیق
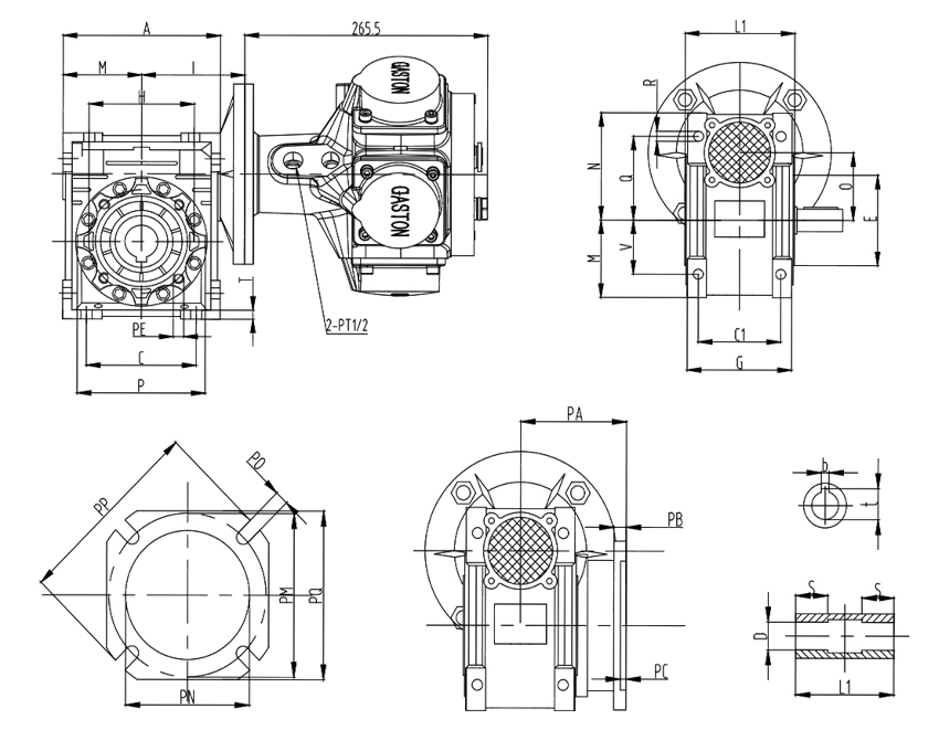
طراحی ابعاد نصب
  
 
     جدول ابعاد نصب   
   
| کاهنده مدل | پم | پی کیو | پ.ن | PO | PP |               |    
| آرV75 |       165 6.5 اینچ  |           170 6.7 اینچ  |           130 5.1 اینچ  |           14 0.55 اینچ  |           200 7.9 اینچ  |    |
| RV90 |       175 6.9 اینچ  |           200 7.9 اینچ  |           152 5.9 اینچ  |           14 0.55 اینچ  |           210 8.3 اینچ  |    |
| RV110 |       230 9.1 اینچ  |           260 10.2 اینچ  |           170 6.7 اینچ  |           14 0.55 اینچ  |           280 11"  |    |
| RV130 |       255 10"  |           290 11.4 اینچ  |           180 7.1 اینچ  |           16 0.63 اینچ  |           320 12.6 اینچ  |    
|       مدل محصول  |           الف  |           ب  |           سی  |           C1  |           D (h7)  |           E  |           جی  |           اچ  |           من  |           L1  |           M  |           ن  |           O  |           P  |           س  |           R  |           اس  |           تی  |           V  |           PA  |           PB  |           کامپیوتر  |           PE  |           PM  |           پ.ن (H8)  |           PO  |           PP  |           پی کیو  |           ب  |           تی  |    
|       AMP7-RV90-G9  |           206  |           238  |           140  |           100  |           35  |           110 43"  |           130 5.1 اینچ  |           130 5.1 اینچ  |           129.5 5.1 اینچ  |           140 5.5 اینچ  |           103 4.1 اینچ  |           135 5.3 اینچ  |           90 3.5 اینچ  |           160 6.3 اینچ  |           402 4.0 اینچ  |           13 0.5 اینچ  |           45 1.8 اینچ  |           11 0.43 اینچ  |           70 2.8 اینچ  |           111 4.4 اینچ  |           13 0.5 اینچ  |           6 0.23 اینچ  |           M10X18 (n=8)  |           175 6.9 اینچ  |           152 6.0 اینچ  |           14 (n=4) 0.6 اینچ  |           210 8.3 اینچ  |           200 7.9 اینچ  |           10 0.4 اینچ  |           38.3 1.5 اینچ  |    
|       AMP7-RV90-G13  |    ||||||||||||||||||||||||||||||
|       AMP7-RV90-G19  |    ||||||||||||||||||||||||||||||
|       AMP7-RV110-G22  |           252.5 9.9 اینچ  |           295 12"  |           170 6.7 اینچ  |           115 4.5 اینچ  |           42 1.7 اینچ  |           130 5.1 اینچ  |           144 5.7  |           165 5.1 اینچ  |           160 6.3 اینچ  |           155 6.1 اینچ  |           127.5 5.0 اینچ  |           167.5 6.6 اینچ  |           110 4.3 اینچ  |           200 7.9 اینچ  |           125 4.9 اینچ  |           14 0.6 اینچ  |           50 1.96 اینچ  |           14 0.6 اینچ  |           85 3.3 اینچ  |           131 5.2 اینچ  |           15 0.59 اینچ  |           6 0.23 اینچ  |           M10X18 (n=8)  |           230 9"  |           170 6.7 اینچ  |           14 (n=4) 0.6 اینچ  |           280 11"  |           260 10.2 اینچ  |           12 0.47 اینچ  |           45.3 1.8 اینچ  |    
|       AMP7-RV110-G30  |    ||||||||||||||||||||||||||||||
|       AMP7-RV110-G38  |    ||||||||||||||||||||||||||||||
|       AMP7-RV110-G54  |    ||||||||||||||||||||||||||||||
|       AMP7-RV130-G54  |           292.5 11.5 اینچ  |           335 13.2"  |           200 7.9 اینچ  |           120 4.7 اینچ  |           45 1.8 اینچ  |           180 7.1 اینچ  |           155 6.1 اینچ  |           215 8.5 اینچ  |           180 7.1 اینچ  |           170 6.7 اینچ  |           147.5 5.8 اینچ  |           187.5 7.4 اینچ  |           130 5.1 اینچ  |           250 9.8 اینچ  |           140 5.5 اینچ  |           16 0.63 اینچ  |           60 2.4 اینچ  |           15 0.59 اینچ  |           100 3.9 اینچ  |           140 5.5 اینچ  |           15 0.59 اینچ  |           6 0.24 اینچ  |           M12X21 (n=8)  |           255 10"  |           180 7.1 اینچ  |           16 (n=6) 0.63 اینچ  |           320 12.6 اینچ  |           290 11.4 اینچ  |           14 0.55 اینچ  |           48.8 1.9 اینچ  |    
|       AMP7-RV130-G67  |    ||||||||||||||||||||||||||||||
|       AMP7-RV130-G90  |    
برگه اطلاعات فنی
|       مدل محصول  |           قدرت  |           سرعت نامی  |           گشتاور  |           گشتاور استال  |           مصرف هوا  |           وزن  |    ||||
|       (HP)  |           (کیلووات)  |           (دور در دقیقه)  |           (Nm)  |           (Ift. bt)  |           (Nm)  |           (Ift. bt)  |           (m³/min)  |           (CFM)  |           (کیلوگرم)  |    |
|       AMP7-RV110-G7.5  |           1.5  |           1.1  |           36.5  |           141.8  |           104.6  |           221.4  |           163.4  |           0.99  |           35  |           33  |    
|       AMP7-RV110-G10  |           27  |           188.2  |           138.9  |           293.6  |           216.7  |    |||||
|       AMP7-RV110-G15  |           18  |           281.6  |           207.8  |           436.5  |           322.1  |    |||||
|       AMP7-RV110-G20  |           13.5  |           375.5  |           277.1  |           583.2  |           430.4  |    |||||
|       AMP7-RV110-G25  |           10.5  |           468.7  |           345.9  |           735.5  |           542.8  |    |||||
|       AMP7-RV130-G30  |           9  |           554.4  |           409.1  |           859.3  |           634.2  |    |||||
|       AMP7-RV130-G40  |           6.5  |           728.5  |           537.6  |           1143.5  |           843.9  |           38  |    ||||
|       AMP7-RV130-G50  |           5  |           912.6  |           673.5  |           1423.6  |           1050.6  |    |||||

در سیستم های تولید صنعتی مدرن ، عملکرد واحدهای قدرت به طور مستقیم کارآیی و ثبات فرآیندهای تولید را تعیین می کند. به عنوان یک دستگاه درایو با استفاده از هوای فشرده به عنوان منبع اصلی انرژی خود ، ...
بیشتر ببینیددر صنعت مدرن ، انتخاب تجهیزات انتقال نیرو به طور مستقیم بر راندمان تولید و ثبات عملیاتی تأثیر می گذارد. به عنوان یک دستگاه درایو که توسط هوای فشرده شده است ، موتور پنوماتیک جابجایی مثبت ...
بیشتر ببینیددر عرصه وسیعی از تولید صنعتی مدرن ، تجهیزات بلند کردن یک "قهرمان پشت صحنه" ضروری است که بی سر و صدا از عملکرد صاف فرآیندهای مختلف تولید پشتیبانی می کند. در میان آنها ، بالابرهای زنجیره ای پ...
بیشتر ببینیدمتصل بمانید